NAİS CF2-12V Otomotiv Role (Doblo-Linea) CF2-12V ( SİNYAL RÖLESİ ) ACF231 ( NOT: SIFIR YENİ ÜRÜNDÜR )
927,58 TL
NAİS CF2-12V ACF231 207 17 8 BACAK DOBLO LİNEA RÖLE
Otomotiv Role acf231-cf2-12V ( Linea-Doblo Sinyal Rolesi )
NAİS CF2-12V ACF231 207 17 8 BACAK DOBLO LİNEA RÖLE
NAİS CF2-12V ACF231 207 17 8 BACAK DOBLO LİNEA RÖLE
ORJİNAL JAPAN
Otomotiv Role (Doblo*Linea) CF2-12V
-
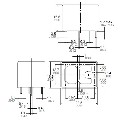
CF2-12V özellikleri:(1) Düzenleme: 1 Form C × 2 (H köprü),(2) Kontak malzemesi: Gümüş alaşımı,(3) İlk temas direnci, max (gerilim düşümü 6 V DC 1 A ile): 50. MQ,(4) gerilim düşümü, maksimum İletişim:.;: NO: 20A 14 V DC, NC: 10A 14 V DC, (6) Max(5) Değerlendirme Nominal anahtarlama kapasitesi 0,2 V (20 A anahtarlama).(6) Anahtarlamalı güç: 140 W,(7) Max. gerilim anahtarlama: 16 V DC,(8) Max. Mevcut yapmak: 10 A (Sürekli), 30 A (1 dakika içinde; bobin gerilimi:. 12 V, 20 ℃),(9) Max. akım taşıma: 30 A (2 dakika), 20A (1 saat) (bobin gerilimi: 12 V, 20 ℃),(10) Beklenen yaşam (ope min..) Mekanik (CPM 180): 1000000; Elektrik dirençli yük: Min.100000; 7 A 14 V DC, Yığılma 30 A;(11) (Motor yükü) 200000; 20 A 14 V DC (Motor kilidi) Min.50000;(12) Nominal çalışma gücü: 640 mW.
-
CF2-12V özellikleri:(1) 7 Amp Steady/30 Amp Ani akım kapasitesi,(2) Basit ayak izi PC kartı düzeni kolaylığı sağlar.
-

Bu ürüne ilk yorumu siz yapın!